Page 43 - 修井工程
P. 43
2.吊环
吊环是起下钻管柱时连接大钩与吊卡用的专用提升用具。
吊环成对使用, 上端分别挂在大钩两侧的耳环上, 下端分别套入吊卡两侧的耳孔中, 用
来悬挂吊卡。
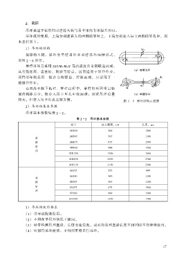
1) 吊环的结构
按结构不同, 吊环分单臂吊环和双臂吊环两种形式,
如图 2 8 所示。
单臂吊环是采用 等高20SiMnMoV 强度合金钢锻造而成,
具有强度高、 重量轻、 耐磨等特点, 因而适用于深井作业。
双臂吊环则是用一般合金钢锻造、 焊接而成, 只适用于一
般修井作业。
在双吊卡起下钻柱、 管柱过程中, 单臂吊环因重量轻
而消耗体力少, 但套入吊卡耳孔中较困难; 双臂吊环重量
较大, 但套入吊卡耳孔比较方便。
2) 吊环的基本参数 图 2 8 吊环结构示意图
吊环基本参数见表 2 2。 表 2 2 吊环基本参数
型号 最大载荷, kN 长度, mm
DH360 360 1200
单 DH585 585 1100
1500
臂 DH675 675 1500
1800
吊环 DH900 900
DH1350 1350
DH2250 2250 2700
DH3150 3150 3300
SH225 225 600
双 SH360 360 1100
1100
臂 SH585 585 1500
1500
环吊 SH675 675
SH900 900
SH1350 1350 1700
3) 吊环的使用要求
(1) 吊环应配套使用。
(2) 不得在单吊环情况下使用。
(3) 经常检测吊环直径、 长度变化情况, 成对的吊环直径长度不相同时不得继续使用。
(4) 应保持吊环清洁, 不得用重物击打吊环。
37

